
Колеса изготавливаются двух типов: К2Р- двухребордные, К1Р- одноребордные. Встречаются и безребордные колеса (катки)
Гарантия качества изготовления крановых колес на нашем предприятии — производство по техническим условиям ГОСТ 28648–90 Колеса крановые, в изготовлении применяется только кованная или штампованная заготовка из стали 65Г ГОСТ14959.
В зависимости от условий эксплуатации механизмов, по согласованию с потребителем, допускается изготовление колес из других марок сталей: Сталь 45, 40Х
Изготовление заготовок крановых колес осуществляется методом свободной ковки или штамповки. После механической обработки поверхность катания и реборды крановых колес подвергаются сорбитизации, чтобы достичь плавного перехода от закаленного металла к незакаленному. Твердость поверхности катания и реборд колес регламентируется положениями ГОСТ 28648-90 и требованиями чертежа
Твердость поверхности катания и реборд не менее 320НВ до 390 НВ (термообработка: сорбитизация)
На каждое колесо выдается сертификат на металл и паспорт на готовое колесо
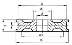
ГОСТ 28648-90 регламентирует размеры только поверхности катания колес, другие размеры (ступица колеса) имеют значения, которые определяет конструктор.
Для точной оценки изготовления кранового колеса направьте Ваш чертеж по эл почте:
zavodpmm@mail.ru
При отсутствии чертежа заполните опросный лист на колесо:
Опросный лист на колесо
Так же Завод "Проммеханизация" производит: